반응형
▣주철(Cast iron)이란?
▶철 중에서 탄소량이 3.0~3.6%이 포한된 금속을 말한다.
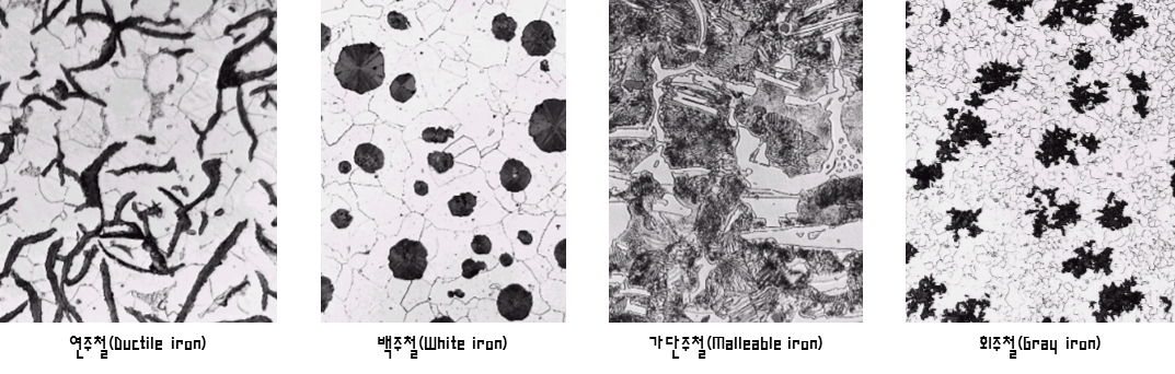
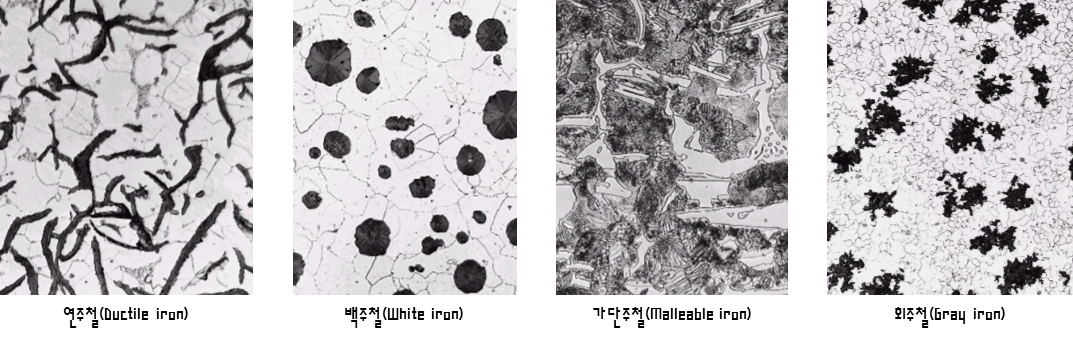
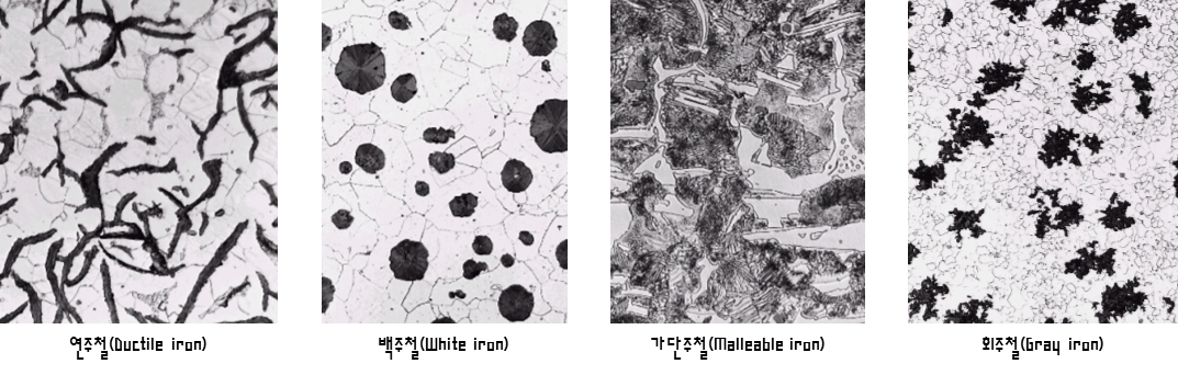
▣주철의 종류

▶회주철(Gray iron)
-흑연이 박편 형태로 존재하는 주철이다.
-인장 응력 조건에서 강도가 약하고 취성을 나타내는 주철이다.
-압축 응력에서는 높은 강도를 가지고 있다.
-매우 우수한 진동 감속 능력(Vibrational dampening)과 우수한 내마모성을
가지고 있다.
▶가단주철(Malleable iron)
-백주철을 800~900˚C에서 용해해 주조해 견인성을 부여한 주철이다.
-냉각속도에 따라 응집형(Cluster)이나 장미형(Rosettes)으로 존재하면
연성이 좋다.
▶연주철(Ductile iron)=구상 주철(Nodular iron)
-회주철에 Mg이나 Ce을 첨가한 주철이다.
-박편의 흑연이 구상으로 변화하면서 나타는 주철이다.
-기지조직은 보통 펄라이트이나 열처리로 페라이트로 바꿀 수 있고 펄라이트
일때 연성이 더우수한다.
▶백주철(White iron)
-낮은 규소 농도의 주철이다.
-금속 냉각으로 흥견 대시 시멘타이트를 형성할 수 있다.
-기계 가공이 불가능할 정도로 강하고 취성이 강하다. 가단주철 생산의
중간과정에서 만들어진다.
반응형
'제품 및 금속' 카테고리의 다른 글
| 사출금형의 불량현상 및 대책 방법 (2) | 2021.03.10 |
|---|---|
| 금속재료의 열처리란 무엇인가? (3) | 2021.02.24 |
| 플라스틱 특징과 종류 (8) | 2021.02.13 |
| 분할금형 장점과 단점 (4) | 2021.02.08 |