▣언로 우드 회로 란?

▶반복하여 작동하고 있을 때나 작동 중에 일을 하고 있지 않을 때는
정용량형 유압펌프의 송출량을 릴리프 밸브로 기름탱크에 귀환시키는
고 동력손실이나 유온 상승 등의 점에서 좋지 않고 펌프 송출량을
저압으로 기름탱크에 되돌려 보내고 유압펌프를 무부하 운전시키는
회로를 언로 우드 회로라고 한다.
▣언로 우드 회로 종류
▶PR접속 변환 밸브에 의한 회로
-4 포트 3위 치 변환 밸브의 중립 위치를 PR접속으로 하여 펌프 송출량과
기름탱크를 단락함으로써 언로 우드 시키는 회로이다.
-이 회로는 가장 간단한 방법으로서 잘 사용되는데 고압 대용량의 변환에는
충격이 발생하므로 스풀 랜드에 테이프를 붙이거나 릴리프 홈 등을 만들어서
그 방지를 간구해야 하는 특징이 있다.
▶2 포트 변환 밸브에 의한 회로
-언로 우드용의 2 포트 2위 치 전자 변환 밸브를 주회로로 바이 패스하여 삽입한
회로로서 주회로의 조작과는 관계없이 전기 신호에 의하여 주회로의 압유를
전부 기름탱크로 귀한 시켜 언로드 시킬 수가 있는 회로이다.
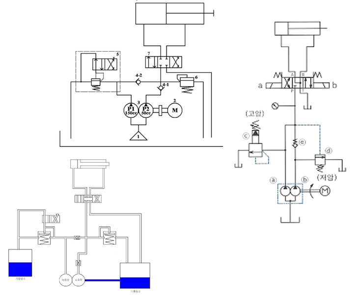
▶축압기, 압력스위치를 사용한 회로
-유압펌프로부터 송출 압력이 부하 회로와 축압기로 유입하고 부하의 저항에 의하여
압력스위치가 작동하면 2 포트 2위 치 전자 변환 밸브가 열리고 릴리프 밸브의
벤트 회로를 열어서 릴리프 밸브를 언로 우드 하는 회로이다.
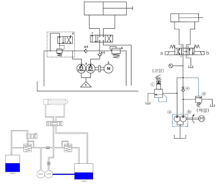
▶HI-Lo 회로
-저압 대용량 펌프와 고압 소용량 펌프를 동시에 사용한 경우의 언로 우두 회로이다.
-저압용의 언로 우드 밸브는 고압용의 릴리프 밸브는 고압 쪽에서 저압 쪽으로의
흐름을 방지하는 첵 밸브이다.
'유체- 유공압류등' 카테고리의 다른 글
| 어큐뮬레이터(Accumulator) 용도와 구조 (1) | 2021.11.14 |
|---|---|
| 유체유동의 분류 (2) | 2021.08.22 |
| 엑시얼 피스톤 모터의 경사판식과 경사축식의 장점과 단점 (0) | 2021.07.25 |
| 유압 용어 정리 (2) | 2021.05.26 |